Программы и прошивки для чип-тюнинга. Также для работы с ГБО.
| j5b13g33 Тюнинг от MIR. | Для работы с газовым оборудованием 95 бензин | скачать |
| j5d13g28 Динамичная. | Поддержка регулировки СО с диагностического оборудования | скачать |
| j5d13g61 Тюнинг от MIR. | Динамичная. С регулировкой СО | скачать |
| j5d13i63.Тюнинг от Валеры. | Динамичная | скачать |
| j5e05 J5T05R61 + J5D05R61 | Двухрежимная | скачать |
| yanvar 5.1 ….-41 16V J5D07T01.rar | Описание в архиве | скачать |
| yanvar 5.1 ….-41 16V J5D07T02.rar | Описание в архиве | скачать |
| yanvar 5.1 8V 2111-……-61 J5D13T02.rar | Описание в архиве | скачать |
| yanvar 5.1 8V 2111-……-61 J5D13T22.rar | Описание в архиве | скачать |
| yanvar 5.1 8V 2111-……-61 J5D13TO1.rar | Описание в архиве | скачать |
| yanvar 5.1.1 …-71 8V J5F13T91.rar | Описание в архиве | скачать |
| yanvar 5.1.1 …-71 8V J5D13 T71.rar | Описание в архиве | скачать |
| yanvar 5.1.1 ….-71 8V J5D13T09.rar | Описание в архиве | скачать |
| yanvar 5.1.1 ….-71 8V J5N13T93 Нива.rar | Описание в архиве | скачать |
| yanvar 5.1.1 …..-71 8V J5D13T95.rar | Описание в архиве | скачать |
| yanvar 5.1.2 ….-71 16V J5D07T01.rar | Описание в архиве | скачать |
| yanvar 5.1.2 ….-71 16V J5D07T02.rar | Описание в архиве | скачать |
| yanvar 5.1 16V 2112-…..-41 J5BD05M30 GBO.rar | Под ГБО. Описание в архиве | скачать |
| A317DA53v2.rar | Описание в архиве | скачать |
| I317DA53v2.rar | Описание в архиве | скачать |
| a327FL57.rar | Описание в архиве | скачать |
| I327FL57.rar | Описание в архиве | скачать |
| Декрипты М73.rar | Описание в архиве | скачать |
| progs73.rar | Описание в архиве | скачать |
| Bosch 1.5.4 ….-20 8V M1V13U79.rar | Описание в архиве | скачать |
| Bosch 1.5.4 ….-40 16V M1V07T01.rar | Описание в архиве | скачать |
| Bosch 1.5.4 ….-40(70) 16V M1D07T02.rar | Описание в архиве | скачать |
| Bosch 1.5.4 ….-60 8V M1D13T01.rar | Описание в архиве | скачать |
| Bosch 7.9.7 8V 1,6L 21114-….-30 B104DP17.rar | Описание в архиве | скачать |
| Bosch 7.9.7 8V 1,6L 21114-….-30 B104DP17_nlz.rar | Описание в архиве | скачать |
| Bosch 7.9.7 16V 1,6L 21124-….-30 B105DP11.rar | Описание в архиве | скачать |
| Bosch 7.9.7 16V 1,6L 21124-….30 B105DP11-nlz.rar | Описание в архиве | скачать |
| Bosch 7.9.7 8V 1,5L 2111-…..-80 B103EQ20.rar | Описание в архиве | скачать |
| Bosch 7.9.7+ 16V 1,6L 21124-….-30 B105NQ09.rar | Описание в архиве | скачать |
| Bosch 7.9.7+ 16V 1,6L 21124-….-30 B105NQ09_NLZ.rar | Описание в архиве | скачать |
| Bosch 7.9.7 8V 1,5L 2111-….-80 B103EQ19 GAS.rar | Под ГБО. Описание в архиве | скачать |
| Bosch 7.9.7 Niva GBO B120EZ15.rar | Под ГБО.Описание в архиве | скачать |
| Bosch M7.9.7 16V, 1,6L 21124-……-30 B105BP09-GBO.rar | Под ГБО.Описание в архиве | скачать |
| Bosch M7.9.7 8V, 1,6L 21114-…..-30 B104BQ11-GBO.rar | Под ГБО.Описание в архиве | скачать |
| VS 5 8V 2111-…..-72 V5D13Z09.rar | Описание в архиве | скачать |
| VS 5 8V 2111-…..-72 V5D13Z93.rar | Описание в архиве | скачать |
| VS 5.1 ….-42 16V V5D07Z17.rar | Описание в архиве | скачать |
| VS 5.1 …. -42 16V V5D07X09NEW.rar | Описание в архиве | скачать |
| VS 5.1 ….- 42 16V V5D05X07NEW.rar | Описание в архиве | скачать |
| VS 5.1 ….-62 8V V5D13X09NEW.rar | Описание в архиве | скачать |
| VS 5.1 ….-62 8V V5D13Z22.rar | Описание в архиве | скачать |
| VS 5.1 ….-72 8V V5D13V09NEW.rar | Описание в архиве | скачать |
| VS 5.1 ….-72 8V V5D13V93NEW.rar5 | Описание в архиве | скачать |
| VS-5 .1 8V 2111-…..-72 8V GBO.rar | Под ГБО.Описание в архиве | скачать |
| yanvar 7.1 8V 1.6 2114-1411020-31.rar | Описание в архиве | скачать |
| yanvar 7.2 21214 8V 1,7L I214EX91 Нива.rar | Описание в архиве | скачать |
| yanvar 7.2 16V 1.6L I205DX53_RCO.rar | Описание в архиве | скачать |
| yanvar 7.2 16V 1.6L I205DZ53 с ДК.rar | Описание в архиве | скачать |
| yanvar 7.2 8V 1,5L I203ER99 RCO.rar | Описание в архиве | скачать |
| yanvar 7.2 8V 1.5L I203EX36_RCO.rar | Описание в архиве | скачать |
| yanvar 7.2 8V 1.5L I203EZ36.rar | Описание в архиве | скачать |
| yanvar 7.2 klassik I226GF10-21067.rar | Описание в архиве | скачать |
| yanvar 7.2 8V, 1,6L 21114-……-31,32 I204RB40-1600-GBO.rar | Под ГБО.Описание в архиве | скачать |
Как подключить ЭБУ к компьютеру
Необходимо сразу заметить, что с электронным блоком управления Chevrolet Lacetti можно эффективно и безопасно взаимодействовать только при помощи специального набора программно-технических средств:
- Адаптер
- Компьютер/ноутбук
- Диагностическое ПО (лучше всего Chevrolet Explorer)
Касательно типа диагностического адаптера, очень неплохо себя зарекомендовал KKL VAG COM 409.1. Этот адаптер полностью совместим с портом диагностики OBDII. Он поддерживает множество протоколов, которые используются для сканирования по линии K-Line. Данный адаптер имеет расширенную поддержку фирменного программного обеспечения.
Кстати, после несложной доработки адаптера KKL VAG COM 409.1 появляется возможность работы с ошибками системы ABS и подушек безопасности. В блоге по ремонту Шевроле Лачетти есть подробный обзор на тему модернизации диагностического адаптера KKL VAG.
В качестве альтернативы стандартному адаптеру можно использовать и ELM327. Данный адаптер может оснащаться модулем беспроводной связи Wi-Fi или Bluetooth. С адаптером ELM327 появляется возможность взаимодействовать с ЭБУ без проводов. Но в этом случае понадобится смартфон с ОС Android.
Диагностический разъем ODBII находится сразу под рулевым колесом, рядом с крышкой блока предохранителей. Обычно сервисный порт прикрывается резиновой заглушкой.
При соединении кабеля адаптера с диагностическим разъемом OBDII и USB-портом ноутбука на корпусе адаптера должен загореться индикатор. Работа индикатора свидетельствует о том, что компьютерное устройство синхронизировано с электронным блоком управления автомобиля . После этого можно включать диагностическое ПО. Опытные мастера обычно пользуются программой Chevrolet Explorer.
Данная программа лучше всего подходит для диагностики Chevrolet Lacetti, так как это ПО позволяет работать с данными не только двигателя, а и всей автомобильной периферии. Сторонние же программы нередко ограничиваются диагностикой только главных параметров работы мотора.
Как отключить иммобилайзер ЭБУ Bosch 797+
ЭБУ бош 797+ имеет очень большую распространённость среди автомобилейсемейства ВАЗ. Его устанавливали на протяжении десяти лет на разныеавтомобили 2109, 21114, 21124, 21230 Нива Шевроле, 21214 Нива, Калина,Приора и т.д.
Данный блок очень универсальный, его можно устанавливать на любойавтомобиль ВАЗ, аппаратная часть полностью одинаковая, за исключениемвосьми клапанных, у них не хватает двух транзисторов и нескольких резисторов,для управления индивидуальными катушками зажигания. Восьми клапанныйможно с легкостью доработать до шестнадцати клапанного, добавив несколькоэлектронных компонентов. Блок который предназначен для шестнадцати клапанногодвигателя, является самой полной комплектации и будет работать на любом автомобиле,с проводкой у которой разъем 81 пин. Достаточно записать в блок прошивку с индефикаторамиавтомобиля, на который необходимо установить блок. Распиновка этих блоков у всеходинаковая, отличия являются только в записанном в него ПО.
Например, если в блок от Приоры записать прошивку от Нивы, он будет работатьна Ниве как родной. Изготовитель данных электронных блоков, клеят шильдикина корпус соответствующие записанному в ЭБУ ПО.
Для того чтобы переписать прошивку в эбу Bosch не требуется особых знанийи доработки эбу. Достаточно взять простой K-Line адаптер, найти бесплатнуюпрограмму загрузчик в сети.Например: ChipLoader, или Openbox.
Доработка эбу bosch 797+ для очисти, удаления ИММОДля того чтоб очистить иммобилайзер, необходимо записать в память ЕЕПРОМЭБУ, чистый необученный дамп.
Чтоб прошить микросхему памяти еепром, ЭБУ необходимо доработать.Нужно перенести резистор 6,8 кОм с одного места в другое. Смотрите фотониже.
После того как резистор перенесен, появится возможность переписать микросхемупамяти еепром. Файл прошивки еепром весит 1 кб.Записываем необученный дамп, возвращаем резистор на место.После этого можно ставить блок в автомобиль. Дополнительных действий некаких не требуется, автомобиль будет заводится любым ключом.
Чистые дампы еепром Bosch 797+22XC052S, 22YB072S, 33XCO305, B101CR02, B102CQ05, B102CR06, B102CR06,B103ER12, b104dq17, B104DR17, b105dq09, B105DR10, B108DQ09,b109dr02,b114er18, B119DQ01, b119dr02, B120EQ16, B120ER16, b120er17, b120er19,B122HR01, b122hr91, b126er02, B126ES01, B133ER17, B173DR01, B174CR03,B174CT04, b174dt07 Скачать весь архив.
Программа для сброса адаптаций со смартфона
Данная программа находится в свободном доступе.
Размер файла менее 2 мб и проверен антивирусом.
Извлеките файл из архива и установите в смартфон.
Предварительно в настройках смартфона разрешите установку приложений из неизвестных источников! Потому что по умолчанию в смартфонах разрешена установка приложений только из Google Play.
После установки, значок приложения выглядит так
Меню программы примитивно и состоит из трех пунктов:
- Сброс адаптаций
- Чтение ошибок
- Удаление ошибок
В верхнем правом углу находятся дополнительные функции (три точки):
При запуске программы блютус включается автоматически и подключается к адаптеру.
Для сброса адаптаций необходимо:
1. Подключить адаптер к колодке диагностики. Она находится в районе левой ноги водителя возле рычага открытия капота
2. Включить зажигание. Но двигатель не запускать!
3. Подключиться со смартфона к адаптеру
5. Подождать несколько секунд, пока начнет двигаться дроссельная заслонка. Затем на экране появится сообщение об успешном выполнении сброса адаптаций.
Распиновка OBD 2
Марки и года:
Бензиновые легковые автомобили и легкие грузовые автомобили, произведенные или импортируемые в США с 1996 года (американское законодательство CARB и EPA) и в Европе (EOBD) с 2000-2001 года (директива Евросоюза 98/69EG) и Азии (в основном с 1998 г.).
Выводы и их назначение:
| № | Цвет | Назначение |
|---|---|---|
| 2 | J1850 Шина + | |
| 4 | Заземление кузова | |
| 5 | Сигнальное заземление | |
| 6 | Линия CAN-High, J-2284 | |
| 7 | К-линия диагностики (ISO 9141-2 и ISO/DIS 14230-4) | |
| 10 | J1850 Шина- | |
| 14 | Линия CAN-Low, J-2284 | |
| 15 | L-линия диагностики (ISO 9141-2 и ISO/DIS 14230-4) | |
| 16 | Питание +12В от АКБ |
Контакты диагностического разъема для используемых протоколов
Контакты 4, 5, 7, 15, 16 — ISO 9141-2.
Контакты 2, 4, 5, 10, 16 — J1850 PWM.
Контакты 2, 4, 5, 16 (без 10) — J1850 VPW.
Протокол ISO 9141-2 идентифицируется наличием контакта 7 и отсутствием 2 и/или 10 контактов на диагностическом разъеме.
Если отсутствует контакт 7, в системе используется протокол SAE J1850 VPW (Variable Pulse Width Modulation) или SAE J1850 PWM (Pulse Width Modulation).
Все три протокола обмена данных работают через стандартный кабель OBD-II J1962 connector.
Как отключить Иммобилайзер от Эбу Simos
схема тебе не поможет, программу для пика или атмеля сам напишешь?
ranma
Участник
10.02.2011
#14
Оракул
10.02.2011
#15
Обиженный, злобный дурак.
10.02.2011
#16
ranma
Участник
11.02.2011
#17
Участник
15.02.2012
#18
у меня есть несколько вопросов связаных с иммо, точнее как эта вся хня работает, но немного истории. щас будет много слов.
1. Фольксваген Гольф 3 ADY с иммо (не вдавался в подробности чем отличается от AGG но тот же simos), при небольших холодах перестал заводицо, точнее — ключ поворачиваю, стартер бодро джинь-джинь, мотор трыыык и заглох, жму тапку, джынь-джынь трыыыЫЫЫЫ, отпускаю, как отрезало, глохнет намертво -проверяю, проскакивает 3-4 искры на центральном проводеи и усё, сколько дальше не крути. 1,5 месяца посещаю гараж, лечу подкапотное (много чего всплыло, вылечил), результат тотже, мысли пошли в сторону иммо. Запускаю поиск, вот ано https://vwts.ru/forum/index.php?showtopic=1. mp;hl=отключить иммо&st=0 теже симптомы, по темже граблям я прошел, но намного глубже. Все думаю оно, к томуже два блока иммо пропаянных уже лежат в морозилке, перед тестами. 2. нашел эту тему, вроде жива, так же только сегодня в обед, ну думаю победа за нами. 3. небольшое отступление — стоит сигналка с автозапуском, и он работает. машин был куплен в 04годе, и она там уже стояло. Годе в 06 примерно, при разбирательствах с проводкой лично переустановил ее по причине лишнего количества проводов запихнутых походу с ноги за приборку. Сделал все аккуратно по схеме, с минимальным вмешательством в штатную проводку, минимальным количеством врезок и т.д., со снятой торпедой, но сделал непростительную ошибку — не нарисовал свою схему, что где врезано, где какое реде запихнуто 4. Ключи. один оригинальный, ну незнаю, но очень похож — но пустой. Второй полюбому неоригинал, пластик литой. 5. Диакомовские (http://www.diakom.ru/CARS2/index.html) уже снятся, автодата в гараже. 6. Сегодня провел нужные замеры — с любым ключом, без двух блоков иммо, стартер крутит, не хватает никак, ставлю коричневый блок (куда кольцо цепляецо), любым ключом — джинь-джинь-трыыык-заглох. Смортю чо комп кажет по иммо — нет ошибок! А теперь очень интересно — автозапуск (помог педалькой), диагностика — нет ошибок, измерения 001 блок: start -1, ECU — 1, key — 1, NA (т.е. ключ на месте, а он в руках, или я чота неправильно понял в единичках) Проверяю по автодате 43 ногу мозга «immobilizer» 11-14в инпут сигнал — да, 12,5в висит постоянно, проверяю по диакомоской схеме 43 нога — diagnostic connector, смотрю а провод то из мозгов идет серо-белый. тут мой мозг взорвался и завис потому как в декабре разбирался с АБС и тоже наткнулся на серо-белый провод, я так понял это диагностические провода от всех блоков умных, все сходятся в одной колодке а потом один идет на диагностический разъем, на нем висит 12в.
вопросы: 1. поясните как общается блок иимобилайзера с блоком управления иммобилайзером (коричневая коробка, куда кольцо прицепляется)? 2. где найти какую либо схему подключения этой коричневой коробки? 3. мозги общаются с «иммо» (те две коробки) только по 43 ноге? 4. из п.6 моих экспериментов следует, что чьито шаловливые ручонки какимто образом заколдовали коричневую коробку так, что «ключ всегда есть»? 5. Чему верить, автодате у которой написано что инпут сигнал — а реально он наоборот? Схемам с диаком, на которых ваще нет упоминания про иммо, зато куча блоков нарисованных «для америкосов»? 6. и последнее, самым коварным получается является не блок иммо (чорная коробка за левым воздуходуем, как все считают и как автодата кажет), а блок управления иммо (коричневая коробка, которая справа за приборкой «хрен достанешь» ? 7. выпускались ли авто с мотором ADY без иммо, я уже готов купить мозги если кто подскажет номерок (у меня 037906025А, уже выучил и могу с перепою написать)?
PS: чип нигде не спрятан, салон полностью разбиралася, и собиралася как можно ближе к оригиналу (колхозилась только сигналка). Без коричнекой коробки мозги SIMOS не пускают двигло нивкакую, это для топикстартера, проверено, либо другие мозги, либо иммо (говорят его можно прописать в мозг), либо эмулятор.
Расположение диагностического разъема у Рено Дастер — фото и распиновка OBD2 и ЭБУ

Расположение диагностических разъемов 3 комментариев 27 февраля 2020 Просмотров: 7235 Рейтинг:
Время прочтения
Сложность материала:
Для любителей — 3 из 5
Рено Дастер оснащён диагностическим разъёмом OBD2. Владельцы Дастера, при самостоятельной диагностике, часто сталкиваются с проблемой поиска диагностической колодки. Данная статья поможет решить этот вопрос. Материал актуален для всех модификаций и годов выпуска Renault Duster 1.6 и 2.0 (бензин и дизель).
Расположение тип разъема не зависит от года выпуска. На Рено Дастер предусмотрен 16 контактный разъём в виде трапеции. Ниже рассказано не только о расположении порта, но и о распиновке его контактов.
Распиновка эбу сириус д3 дэу матиз
1) Цепь эл.питания от батареи аккумулятора, узлы присоединения с массой, кислородного нагреваемого датчика, система электронного управления зажиганием и подключение датчика контролирующего положение коленчатого вала.
цепь электропитания от аккумуляторной батареи, соединения с массой и тд. Daewoo Matiz 2005г.в.
СОЕДИНИТЕЛЬНЫЙ ЖГУТ ПРОВОДОВ
Двигатель — блок предохранителей в моторном отсеке
Блок предохранителей в моторном отсеке
Приборная панель — блок предохранителей в моторном отсеке
Блок предохранителей в моторном отсеке
Разъёмы онтроллера электронной системы управления двигателем sirius d32 Daewoo Matiz 2005г.в.
2) Эл.цепь подключения топливного насоса, цепи форсунок, проводка клапана включения рециркуляции выхлопных газов, подключение датчика кислорода, цепь переключателя октанового числа топлива, цепь реле контроля давления масла в гидроусилителе рулевого механизма и датчика:
цепь топливного насоса, форсунки, клапана рециркуляции отработавших газов и тд. Daewoo Matiz 2005г.в.
соединительный жгут проводов
Двигатель — блок предохранителей в моторном отсеке
Блок предохранителей в моторном отсеке
Приборная панель — блок предохранителей в моторном отсеке
Блок предохранителей в моторном отсеке
C103 (контакт 32, коричневый)
Передняя часть кузова — блок предохранителей в моторном отсеке
Блок предохранителей в моторном отсеке
Левая часть пространства для ног водителя
Двигатель — приборная панель
Левая часть пространства для ног водителя
разъёмы цепи топливного насоса, форсунки, клапана рециркуляции Daewoo Matiz 2005г.в.
3) Цепь управления регулятором холостого хода, датчики (температурный — для охлаждающей жидкости, механического положения заслонки дросселя, температурный — подаваемого воздуха, контроля давления топливной смеси в коллекторе, индукционного и температурного в системе улавливания паров топлива)
цепь регулятора холостого хода, датчиков (температуры охлаждающей жидкости и тд) Daewoo Matiz 2005г.в.
соединительный жгут проводов
Двигатель — блок предохранителей в моторном отсеке
Блок предохранителей в моторном отсеке
C103 (контакт 32, коричневый)
Передняя часть кузова — блок предохранителей в моторном отсеке
Блок предохранителей в моторном отсеке
Двигатель — приборная панель
Левая часть пространства для ног водителя
разъёмы цепи регулятора холостого хода и тд Daewoo Matiz 2005г.в.
4) Цепь электроклапана продувки адсорбера, схема датчика контролирующего положение распределительного вала, комбинация приборов, не световой предупреждающе-информационной сигнализации, электронного датчика скорости движения автомобиля, эл.цепь датчика детонации в двигателе, насоса подачи топлива и контроллера кпп:
цепь клапана продувки адсорбера, датчика положения и приборов Daewoo Matiz 2005г.в.
соединительный жгут проводов
Двигатель — блок предохранителей в моторном отсеке
Блок предохранителей в моторном отсеке
Приборная панель — блок предохранителей в моторном отсеке
Блок предохранителей в моторном отсеке
Левая часть пространства для ног водителя
Двигатель — приборная панель
Левая часть пространства для ног водителя
5) Разъем колодки подключения диагностического оборудования.
соединительный жгут проводов
Двигатель — блок предохранителей в моторном отсеке
Блок предохранителей в моторном отсеке
C103 (контакт 32, коричневый)
Передняя часть кузова — блок предохранителей в моторном отсеке
Блок предохранителей в моторном отсеке
Двигатель — приборная панель
Левая часть пространства для ног водителя
Модуль датчиков и диагностики — приборная панель
Под левой передней стойкой
Похожие авто электро схемы
Чтобы сделать диагностику Матиза, например првоерить двигатель, погасить Чек, проверить ЭБУ и датчики, необходимо знать расположение диагностического разъема, его распиновку и его тип. Специально для владельцев Daewoo Matiz, в данном материале раскрыты эти все эти вопросы. Статья применима для владельцев авто: Daewoo Matiz любого года выпуска и генерации.
На Daewoo Matiz тип разъема зависит от года выпуска автомобиля:
Схемы электрооборудования автомобилей Дэу Матиз (Daewoo Matiz)
Для удобства поиска в пределах страницы, фрагмента схемы, ниже представлены ссылки. Возврат на начало страницы, клавиши Ctrl+Home.
- Схема соединений блока реле и предохранителей, расположенных в салоне
- Схема соединений блока реле и предохранителей, расположенных в салоне (продолжение)
- Схемы освещения задней части автомобиля
- Схема пуска и заряда (двигатель 1,0л)
- Система управлением двигателем 1,0л (начало)
- Система управлением двигателем 1,0л (продолжение)
- Система управлением двигателем 1,0л (окончание)
- Схема реле и предохранителей, расположенных в подкапотном пространстве (начало)
- Схема соединений блока реле и предохранителей (продолжение), расположенных в подкапотном пространстве
- Схема соединений блока реле и предохранителей (продолжение)
- Схема соединений блока реле и предохранителей (окончание)
- Комбинация приборов (двигатель 1,0л, начало)
- Комбинация приборов (двигатель 1,0л, продолжение)
- Комбинация приборов (двигатель 1,0л, окончание)
- Система управления двигателем 0,8л (начало)
- Система управления двигателем 0,8л (продолжение)
- Система управления двигателем 0,8л (окончание)
- Комбинация приборов (двигатель 0,8л, начало)
- Комбинация приборов (двигатель 0,8л окончание)
- Подсветка панели приборов. (двигатель 0,8л)
- Включение света фар и корректор световых пучков
- Противотуманные фары и фонари
- Блок реле и предохранителей в подкапотном пространстве (двигатель 0,8л)
- Электросхема генератора и стартера (двигатель 0,8л)
- Схема включения фар (двигатель 0,8л)
- Регулятор направления пучков света фар (двигатель 0,8л))
- Противотуманные фары и фонари (двигатель 0,8л)
- Стеклоочистители и омыватели ветрового и заднего стекла
- Электростеклоподъёмники передних дверей, освещение салона и багажника
- Разъёмы устройств
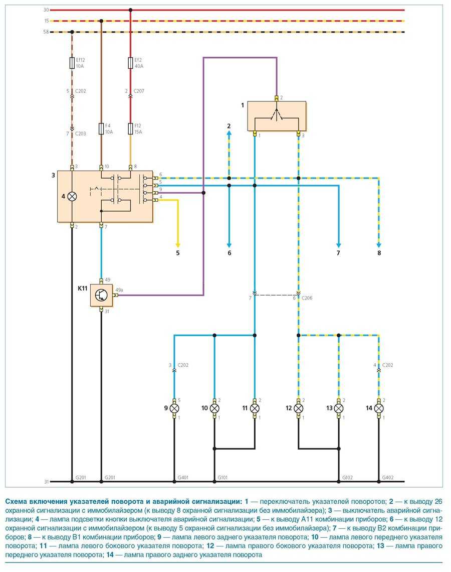
- Указатели поворота и аварийная сигнализация

Схема соединений блока реле и предохранителей, расположенных в салоне

Схема соединений блока реле и предохранителей, расположенных в салоне (продолжение)

Схемы освещения задней части автомобиля

Схема пуска и заряда (двигатель 1,0л)

Система управлением двигателем 1,0л (начало)

Система управлением двигателем 1,0л (продолжение)

Система управлением двигателем 1,0л (окончание)

Схема реле и предохранителей, расположенных в подкапотном пространстве (начало)

Схема соединений блока реле и предохранителей (продолжение), расположенных в подкапотном пространстве

Схема соединений блока реле и предохранителей (продолжение)

Схема соединений блока реле и предохранителей (окончание)

Комбинация приборов (двигатель 1,0л, начало)

Комбинация приборов (двигатель 1,0л, продолжение)

Комбинация приборов (двигатель 1,0л, окончание)

Система управления двигателем 0,8л (начало)

Система управления двигателем 0,8л (продолжение)

Система управления двигателем 0,8л (окончание)

Комбинация приборов (двигатель 0,8л, начало)

Комбинация приборов (двигатель 0,8л окончание)

Подсветка панели приборов. (двигатель 0,8л)

Включение света фар и корректор световых пучков

Противотуманные фары и фонари

Блок реле и предохранителей в подкапотном пространстве (двигатель 0,8л)

Электросхема генератора и стартера (двигатель 0,8л)

Схема включения фар (двигатель 0,8л)

Регулятор направления пучков света фар (двигатель 0,8л))

Противотуманные фары и фонари (двигатель 0,8л)

Стеклоочистители и омыватели ветрового и заднего стекла

Электростеклоподъёмники передних дверей, освещение салона и багажника


Указатели поворота и аварийная сигнализация
Источник
Daewoo Дэу Мастер + переходник GM 12 pin
Диагностический прибор Дэу Мастер позволяет производить поиск и удаление ошибок в электронных блоках управления в автомобилях отечественного производства.
Недорогой универсальный автосканер для диагностики автомобилей Дэу.
Позволяет выполнять считывание и обмен данными с систем электронных блоков управления, поддерживающих протоколы ISO-15031-3, ISO-9141, ISO-14230 и KWP-2000. Предусматривает совместную работу с устройствами на базе ОС Windows. Отличается компактными размерами и универсальностью ПО, которое позволяет с помощью всего одной программы работать с различным оборудованием.
Адаптер Daewoo KKL RUS предназначен для диагностики автомобилей Дэу с 2000 по 2013 год выпуска. KL адаптер позволяет читать / стирать коды неисправностей диагностируемого авто, просматривать параметры датчиков в реальном времени, проводить тесты исполнительных механизмов и адаптацию электронных систем.
Кроме того, адаптер KKL адаптер работает с автомобилями VAG группы, Chevrolet, ВАЗ ГАЗ и с другими авто, поддерживающие стандарт OBD2 по протоколам ISO-9141 или ISO-14230 (KWP2000).
В комплекте с адаптером идет программное обеспечение для диагностики Daewoo, Chevrolet и отечественных автомобилей на русском, ПО для VAG группы, Fiat, Alfa Romeo на русском, программа Tester ECURUS для диагностики авто по протоколам ISO-9141 и ISO-14230 (KWP2000) а также подробные инструкции по установке софта на русском языке.
Для диагностики автомобилей Daewoo до 2004 года выпуска потребуется переходник GM12 pin — 16pin.
Доступна бесплатная услуга проверки диагностического оборудования на вашем автомобиле перед покупкой. Также мы можем установить программное обеспечение на ваш ноутбук. Стоимость установки 200 рублей.
Функции Daewoo KKL
— Чтение кодов неисправностей — Расшифровка кодов неисправностей — Стирание кодов неисправностей — Отображение параметров всех датчиков — Тест исполнительных механизмов — Адаптация электронных систем
Chevrolet Lacetti 5D 2007, двигатель бензиновый 1.4 л., 98 л. с., передний привод, механическая коробка передач — тюнинг

Chevrolet Lacetti, 2010

Chevrolet Lacetti, 2010
Комментарии 20
помогите настроить галетту к ноутбуку, пишет ошибка скорости какая-то
Шился через XP, программа на диске в комплекте называется EOBD1260, там же на диске должен быть драйвер.При считывании ключ в замке зажигания должен быть в положении ON. Может шнурок дешевая подделка.Вообщем чем мог помог
зажигание не включали вот в чём косяк был)
ошибки егр не выдает так же не выдает евро 2 на прошивке торнадо щас езжу без ката и 2 го лямбда
А есть ещё 3BHL_MOD9_E2_пуск 2 и пуск 1 . Что интересно означает слово «пуск» и отключен ли в этих прошивках EGR ?
Скорее всего отключен.Что значит пуск не знаю .Расход у этой прошивки не самый маленький
Можно ссылки на прошивки?
У меня вообще не звенит. Ланос до этого прошивал в лаборатории скорости недешево, но видимо качественнее чем самому
Купи прошивку у СВВ. Звенит меньше.
такая уже есть под названием торнадо евро 2 динамика хорошая расход гдето 11 + по городу
Может эта штука мне поможет иммо отключить на машине?
Может эта штука мне поможет иммо отключить на машине?
а где прошивку взял? И чья она? А то тоже хочу каталик выкинуть, вместе с ЕГР ))
Что такое галлета, можно ссылку?
Галетта-диагностический шнур для заливки калибровок в ЭБУ.Если более технически, то Galletto 1260 предназначен для чтения и записи содержимого Flash памяти блоков управления двигателем EDC15, MEx, x, DELCO без выпаивания микросхемы, через диагностический разъем автомобиля. Для работы с программатором потребуется ПК или ноутбук.
Galletto 1260 позволяет восстанавливать и обновлять программное обеспечение ЭБУ. Применение различных прошивок даст возможность добиться повышения мощности двигателя, улучшения динамики разгона, повышения крутящего момента, улучшения начального ускорения, уменьшения расхода топлива. При использовании программатора нет необходимости в физической замене чипов.
Есть другая сторона медали: при «тупом» обращении можно «завалить» ЭБУ…
| На нашем сайте можно скачать коммерческие прошивки ЭБУ ВАЗ, ГАЗ, Daewoo, Mitsubishi, Renault, Kia, Hyundai, Lifan, BMW, Opel, Chevrolet, Peugeot, Citroen, Ford, Audi, VW, Seat, Skoda. ETSMart USB — калькулятор одометров: цена 5000 руб |
Чтение и запись FLASH памяти ЭБУ Sirius можно сделать и через диагностический разъем OBDII. Работа с данным типом ЭБУ осуществляется через K-Line адаптер, либо J2534 устройство.
ЭБУ поддерживает следующие режимы программирования:
Для данного ЭБУ возможны следующие команды:
Считать FLASH Считать EEPROM Записать FLASH Сброс адаптаций Паспорт ЭБУ
Правильный размер прошивок FLASH памяти для:— ЭБУ Bosch Sirius D3/D4 — 256 Кб (262144 байт) — ЭБУ Sirius D32/D42/SIM2K-34VR — 512 Кб (524288 байт)
ЭБУ Sirius D3/D4/D32/D42 поддерживаются для записи также файлы калибровок размером 32Кб.
Внимание! Неверный выбор типа ЭБУ может привести к выходу ЭБУ из строя. Восстановление ЭБУ в таком случае можно провести через бут режим
Настройки для работы с данным ЭБУ осуществляются через окно настроек, которое вызывается нажатем правой кнопки мыши на типе ЭБУ:
После этого можно осуществлять настройки для данного семейства ЭБУ:
После перепрошивки ЭБУ всегда рекомендуется выполнять команду «Сброс адаптаций».
Подключение к разъему ЭБУ:
24 — масса ЭБУ30 — неотключаемое питание +12В (АКБ)29 — отключаемое питание +12В (замок зажигания)56 — К-Линия




























